КОРЗИНА

Воздушные отопители

ОТОПИТЕЛЬ ВОЗДУШНЫЙ ДИЗЕЛЬНЫЙ ПЛАНАР 9Д-24В (8 КИЛОВАТТ) МОНТАЖНЫЙ КОМПЛЕКТ С ТОПЛИВНЫМ БАКОМ 7.5Л

Наше производство
42000руб.
Автономные воздушные отопители салона предназначены для поддержания комфортной температуры в автобусах, фургонах, легковых и грузовых автомобилях, и на катерах.

Линейка отопителей представлена рядом моделей, различающихся выходной тепловой мощностью, внешним исполнением и комплектацией. Внутренняя компоновка и принцип работы сохраняется общим.

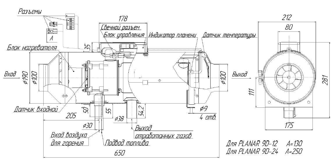
Отопитель требует подключения к сети постоянного тока 24В. Забор топлива производится по топливопроводу, который может заводиться в штатный бак с помощью топливозаборника, или же в отдельный бак.

Планар 9Д-24В – автономный отопитель, работает на дизельном топливе независимо от двигателя автомобиля. Оснащен нагнетателем воздуха с бесколлекторным электродвигателем. Также отопитель содержит японскую свечу накаливания и топливный насос отечественного производства.

Пульт управления ПУ-5 позволяет регулировать работу отопителя по мощности. При подключении выносного кабинного датчика сб. 1458, ПУ-5 работает по температуре.

Комплектация:


  • Отопитель Дизельный Планар;
  • Пульт управления ПУ-5 в салон автомобиля;
  • Топливный насос ТН-9 - 6,8мл - 24В. Производство Россия;
  • Жгуты всей необходимой электропроводки: питания, топливного насоса, переходной;
  • Бак топливный 7л;
  • Труба выхлопная;
  • Теплоизоляция;
  • Топливопровод;
  • Воздухозаборник;
  • Монтажные комплекты: отопителя, воздухозаборника, жгутов, топливного бака, топливной системы, выхлопной системы;
  • Документация: гарантийный талон, инструкция по монтажу, инструкция по эксплуатации, упаковочный лист.
42000

Технические характеристики
Планар 9Д-24
Планар 9Д-12
Режимы
Сильный
Малый
Сильный
Малый
Теплопроизводительность, кВт
8
3,2
8
3,2
Расход топлива, л/час
1
0,42
1
0,42
Потребляемая мощность отопителя, Вт
215
12
180
12
Количество нагреваемого воздуха, м3/ч
290
70
290
70
Применяемое топливо
дизельное топливо по ГОСТ305
Номинальное напряжение питания, В
24
12
Режим запуска и остановки
Ручной
Масса со всеми комплектующими, кг не более
18